Сайт радиолюбителей Республики Коми.
13.2.Базовый блок.

13.2.1. Основные технические характеристики и функции:

•   питание — сетевой адаптер 9В, 300 мА;

•   модуляция — частотная;

•   диапазон частот передачи — 46,6...46,9 МГц;

•   диапазон частот приема — 49,6...49,9 МГц;

•   чувствительность РПУ при соотношении сигнал/шум 12 дБ — 2,5 мкВ;

•   избирательность РПУ при отклонении частоты от номинального значения на 30 кГц — 40 дБ;

•   антенна — телескопическая.

Базовый блок выполняет следующие функции:

•   сопряжение телефона с линией;

•   прием звонка из линии;

•   набор телефонного номера в линию;

•   связь с переносной трубкой;

•   поиск переносной трубки;

•   трансляция речевых сигналов из трубки в линию и обратно;

•   заряд аккумулятора переносной трубки;

•   обеспечение режима защиты от НД.

Базовый блок представляет собой пластмассовый корпус, в котором установлены платы электроники индикации и телескопическая антенна. На плате электроники установлены разъемы для подключения сетевого адаптера и телефонной линии, а так же переключатели CODE и DIAL MODE.

На плате индикации установлены светодиоды CHARGE, POWER и LINE. Кроме того, здесь же расположена клавиша поиска телефонной трубки PAGE. На корпусе базового блока имеется площадка с двумя клеммами для установки переносной трубки.

13.2.2. Состав базового блока и назначение элементов

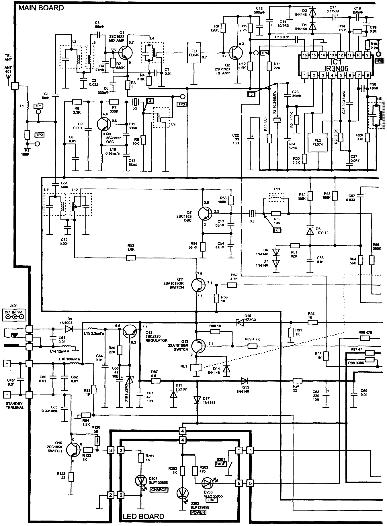
Исходя из функций, которые выполняют базовый блок, в его схеме можно выделить следующие элементы (рис. 13.1):

•   микроконтроллер (IC5);

•   память ID-кодов (IC6);

•   переключатель кодов секретности (SW546);

•   узел сопряжения с линией (Т1, Q3, IC2 1/2);

•   детектор звонка (D003, С49, D4, D5);

•   ключ и реле (Q13, RL1);

•   схема тонального набора (IC4);

•   активный ФНЧ и формирователь (IC2 2/2, Q5, Q6);               

•   РПУ (L2, L3, L4, L9, Q1, Q4, Х1, FL1, FL2, IC1, Х2);

•   РПДУ(1_11, L12, L13, Q7, ХЗ, D8);

•   ключ "передача" (Q11);

•   индикаторы CHARGE, POWER, LINE (D201 — D203);

•   стабилизаторы +7,В, +5 В (Q12, D10, D11);

•   схема сброса (Q14).

Рис. 13.1. Структурная схема ББ

Микроконтроллер IC5 выполняет следующие функции:

•   прием и обработка сигнала звонка из линии;

•   формирование данных для схем тонального и импульсного набора;

•   прием и обработка служебных сигналов, передаваемых НБ;

•   формирование служебных сигналов для передачи их на НБ;

•   обработка сигнала детектора шума РПУ;

•   управление трансляцией речевых сигналов от НБ в линию и обратно.

Микросхема памяти ID-кодов IC6 хранит коды секретности. Переключатель кода секретности SW546 определяет страницу выборки ID-кода из памяти. Узел сопряжения с линией (Т1, Q3, IC2 1/2) согласует выходы РПУ и микросхемы тонального набора IC4 с телефонной линией. Через эту схему на ББ поступает речевой сигнал из линии. Звуковой трансформатор Т1 является элементом гальванической развязки между ББ и линией.

Детектор звонка (D003, С49, D4, D5) формирует на выв. 6, IC5 импульсы отрицательной полярности при поступлении звонка из линии. Активный ФНЧ и формирователь (IC2 2/2, Q5, Q6) выделяют из выходного сигнала РПУ служебные сигналы, ID-код, код телефонного номера и формируют цифровой сигнал, который подается на выв. 38, IC5 для обработки. РПУ преобразует радиосигнал, принятый антенной, в речевой и цифровой сигналы.

Кроме того, РПУ формирует сигнал для реализации режима подавления шума. РПДУ формирует из речевого сигнала, поступающего из линии и цифрового сигнала микроконтроллера IC5 ЧМ-сигнал. Нагрузкой РПДУ является антенна базового блока ANT401, с которой сигнал передается на НБ. Ключ "передача" Q11 управляет подачей питания на РПДУ. Через него на РПДУ поступает питание +7,7В от стабилизатора (Q12, D10). На ключ поступает сигнал управления с выв. 35, IC5.

Схема тонального набора IC4 преобразует цифровой код телефонного номера, поступающий от микроконтроллера IC5, в код DIMF и подает его на узел сопряжения с телефонной линией. Ключ и реле Q13, RL1) служат для подключения базового блока к телефонной линии. С помощью этих же элементов осуществляется импульсный набор телефонного номера в линию. Схемой управляет микроконтроллер IC5 сигналом, поступающим с выв. 36.

Индикаторы CHARGE, POWER, LINE (D201 — D203) служат для световой индикации режимов работы телефона, исправности питания базового блока и контроля заряда аккумулятора НБ. Через светодиод CHARGE (D201) течет часть тока заряда аккумулятора НБ по цепи: отрицательная клемма ББ, R124, R201, D201, корпус. Светодиод POWER (D202) подключен к выходу стабилизатора +7,7В через ограничительный резистор R202. Светодиод LINE (D203) включается сигналом, поступающим с выв. 32, IC5, когда ББ подключен к телефонной линии.

От стабилизатора +7,7В (Q12, D10) получают питание РПУ, РПДУ, IC2, усилитель мощности Q3, ключи Q11, Q13, реле RL1, стабилизатор +5 В (D11). От стабилизатора +5В получают питание микросхемы IC4, IC5, IC6.

Схема сброса (Q14) формирует импульс отрицательной полярности на выв. 18, IC5 в момент подключения сетевого адаптера к ББ. Этим сигналом инициализируются внутренние узлы микроконтроллера IC5.

13.2.3. Прохождение сигналов в РПУ базового блока

РПУ построено по схеме супергетеродинного приемника с двойным преобразованием частоты. Радиосигнал с антенны ANT401 (рис. 13.2) через преселектор (L2, L3) поступает на вход 1-го смесителя — базу транзистора Q1. На эмиттер транзистора Q1 через обмотку связи контура L9 подается сигнал от 1-го гетеродина (Q4, Х1), выполненного по схеме емкостной трехточки.

Сигнал 1-й ПЧ (10,7 МГц) выделяется контуром L4 и через полосовой фильтр FL1 (10,7 МГц) и УПЧ1 Q2) поступает на вход 2-го смесителя (выв. 16 IC1). Сигнал 2-го гетеродина (выв. 1, 2, IC1) с опорным кварцевым резонатором Х2 (10,245 МГц) также поступает на 2-й смеситель. Сигнал 2-й ПЧ (455 кГц) снимается с выв. 3, IC1 и через полосовой фильтр FL2 (455 кГц) поступает на вход УПЧ2 (выв. 5, IC1). Сигнал усиливается и через схему ограничения поступает на ЧМ-детектор с внешним фазосдвигающим контуром L5, подключенным к выв. 8, IC1.

Выходной сигнал детектора через буфер поступает на выв. 9, IC1. Из этого сигнала с помощью ФНЧ (R32, С36) выделяется речевой сигнал, который через экспандер С2 1/2 и усилитель мощности Q3 поступает в телефонную линию. К выходу детектора подключен активный ФНЧ (IC2 2/2), с помощью которого из сигнала выделяются служебный сигнал, ID-код и код телефонного номера.

Через формирователь на транзисторах Q5, Q6 цифровой код поступает на выв. 38 микроконтроллера IC5. Выходной сигнал детектора РПУ по цепи С31, VR1, С19 поступает на активный ФВЧ (выв. 10, 11, IC1). После детектирования на диоде D1 сигнал поступает на вход ключевого устройства (выв. 12, IC1). Выходной сигнал ключевого устройства (выв. 14 IC1) поступает на выв. 39, IC5 для реализации режима подавления шума. Порог срабатывания схемы подавления шума устанавливается регулятором VR1. Микроконтроллер IC5 после анализа уровня шума сигналом с выв. 40 блокирует прохождение шумового сигнала в телефонную линию.

13.2.4. Прохождение сигналов в РПДУ базового блока

РПДУ построено по однокаскадной схеме на транзисторе Q7 (рис. 13.2), совмещающей в себе функции возбудителя РПДУ и усилителя мощности. Возбудитель РПДУ построен по схеме емкостной трехточки с кварцевым резонатором ХЗ в цепи базы транзистора Q7, определяющим рабочую частоту возбудителя.

Функцию ЧМ-модулятора выполняет варикап D8, подключенный к резонатору ХЗ через контур L13, который компенсирует емкость варикапа при отсутствии модулирующих сигналов. Кроме того, подстройка контура L13 позволяет точно установить частоту рабочего канала РПДУ. Модулирующие напряжения служебного сигнала и ID-кода поступают на варикап D8 с выв. 34, 33, IC5.

Речевой сигнал из линии через предварительный усилитель (Q9, Q10) и ключ блокировки Q8 поступает для модуляции на анод варикапа D8. Диоды D6, D7, включенные последовательно с варикапом, определяют его рабочую точку.

Нагрузкой возбудителя РПДУ является двухконтурный фильтр (L12, L11), который выделяет рабочую частоту РПДУ и отфильтровывает высшие гармоники тока. Затем сигнал через конденсатор С51 и удлинитель L1 поступает на телескопическую антенну ANT401.

Рис. 13.2.1. Принципиальная схема ББ

Рис. 13.2.2. Принципиальная схема ББ

Rambler's Top100

Rambler's Top100 Рейтинг ресурсов УралWeb

Copyright © Russian Hamradio.

Hosted by uCoz